PD平板式吊袋星空体育

  • PD平板式吊袋星空体育
PD平板式吊袋星空体育

PD平板式吊袋星空体育

  • 商品编号:GY2018PD02
  • 拍摄角度:130度
  • 产品产地:安徽蚌埠
  • 上架时间:2018-05-02
  • 产品名称: PD平板式吊袋星空体育
  • 在线订购

工作原理

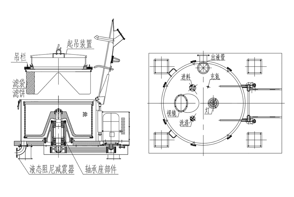
PD系列星空体育是根据国家药品生产GMP规范之要求,根据国内客户之需求而设计的密闭操作、间歇工作式星空体育。物料从机盖上加料管加入,经转鼓高速回转进行分离,对物料进行洗涤,分离结束后,开启机盖(借助机盖平衡装置),将滤饼吊出机外设定地点卸料。

技术说明

1.平板式结构,降低了设备重心,使设备运行更加平稳,同时平   板式便于维护及清洁。可设置在线清洗系统,可符合GMP及FDA标准。
2.变频启动,启动更平稳,转速可调。
3.大翻盖设计,平衡缸助力,开盖轻便省力。上盖设置,进料、水洗、视镜、防爆灯、充氮口。
4.布料方式选择:进料管进料(可设置分层进料),水洗管洗涤。
5.电机选用新型防爆节能电机,节能减排。
6.密闭式结构,有效密封设备腔体,改善周边环境,符合环保要求。密封件可采用硅胶、三元乙丙、氟橡胶、四氟等。
7.减震系统采用进口技术-液态阻尼减震器,有效吸收设备产生的震动,对基础和周边环境无影响。
8.吊袋式结构,降低卸料劳动强度,提高生产率。
9.安全保护:可设置开盖保护、过振动保护、氮气保护等。


详细结构图

主要技术参数

项目 ltems PD800 PD1000 PD1200 PD1250 PD1250A PD1500 PD1800
转鼓直径(mm)
Bowl Diameter
800 1000 1200 1250 1250 1500 1800
转鼓高度(mm)
Bowl Height
400 420 500 500 600 700 750
转鼓转速(r/mm)
Roration Rate of Bowl
1200 1000 1000 1000 1000 850 720
分离因数
Separating Factor
645 560 670 700 700 606 522
工作容积(L)
Operational Capacity
100 140 250 300 360 600 910
装料限度(KG)
Max loading
135 200 350 400 500 800 1100
电机功率(kw)
Motot Power
7.5 11 15 15 18.5 30 37
外形尺寸(长x宽x高)mm
Overall Dimensions(LxWxH)
1600x1150
x1190
2000x1500
x1240
2200x800
x1430
2200x1800
1430
2200x1800
x1500
2600x2200
x1700
3300x2600
x2000
重量(kg)
Weight
1500 2500 3500 4000 4500 7500 11000
开盖高度(mm)
Opening height
1940 2270 2570 2620 2700 3175 3850

用手机扫描二维码关闭
二维码